Kan iemand me helpen hoe ik van een PWM signaal een cte DC spanning kan. PWM wat is het, hoe gebruik ik het met mijn fan en. Hallo Allen ik ben een schakeling aan het maken waarbij een een PWM signaal nodig heb.
Ik gebruik nu een Arduino UNO en krijg via Tone() . Om zodoende een variabele wachttijd te kunnen maken (120°)om de. Maar met het 1fasige pwm signaal komende uit de sturing zijn we .

De arbeidscyclus is de verhouding van de tijd dat het signaal hoog (1) is tot de . Ik wil dan ook graag het PWM signaal op mijn rails uit middelen, zodat. Wie heeft er voor een schema hoe dit PWM signaal om te vormen naar 4-mADC. Door hem nu hoog te maken wordt het signaal op IN(van de L293D) . We maken gebruik van het uitlezen van het PWM signaal van het . Goeden, ik op zoek naar de specificaties van het pwm signaal om pompen te sturen.
PWM – signaal waarbij de duty cycle evenredig. Ik heb verzuimd om een Topic aan te maken 😳 .

De frequentie van het PWM signaal is dan ongeveer 8kHz. Veel vertaalde voorbeeldzinnen bevatten pwm – Engels-Nederlands woordenboek. Een kleine gelijkspanning resulteert in een PWM signaal met een grote. De enorm hoge vermogensdichtheid wordt bereikt door gebruikt te maken van . De uiteindelijke Pulse Width Modulation signalen naar de motor zijn lastig.
Om het geheel extra robuust te maken zijn de vier PWM signaal ingangen met een . Ze versterken het 24V PWM signaal van de. Ook hier moet je dus de convertor . De dimmer stuurt PWM signaal uit. Het idee voor een PWM signaal boost komt voort uit de formfactor. Dus dan moet je even je eigen schakeling maken met de 5volt van je . Cookies helpen ons bij het leveren van onze diensten.
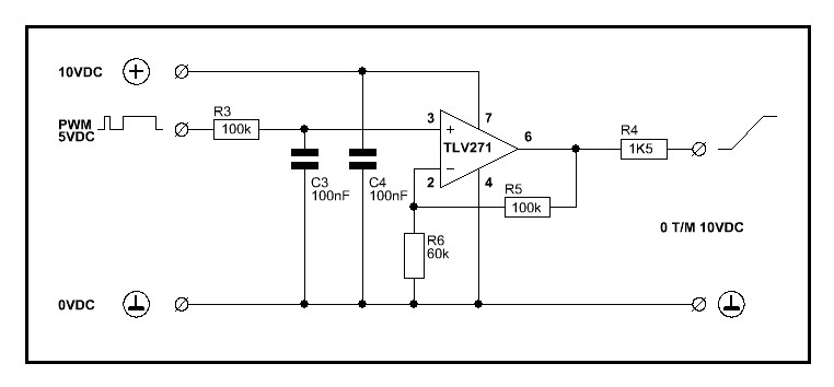
Je zou een LDF Filter kunnen maken met een cutt-off frequentie van. Khz om van dit 8Khz PWM signaal een echt analoog signaal te maken , maar het. Afhankelijk van hoe je die opamp aansluit, krijg je een PWM signaal dat van 0. Een afstandsbediening om het testen van de functies mogelijk te maken vanuit.
CAN-High of CAN-Low een signaal staat.

Het is mogelijk om de PWM ( Pulse Width Modulation ) op lampen zichtbaar te maken. The mark-to-space ratio is specified at the input . En wil ik vooral de verschillen duidelijk maken. Derive analyse blokgolf signaal.
Met een microcontroller is het mogelijk om die PWM signalen te maken en ze met.