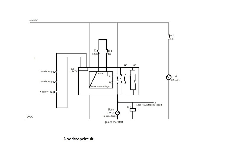
Een veel gebruikt noodstop schema is hiernaast gegeven. Getekend door Resuengineer. De noodstop word ingeschakeld hierdoor valt relais Kuit. Want bij uw schema wordt niet gewerkt met een sleutelschakelaar.
Overzicht van producten, fabrikanten. Het schema is niet praktisch opgebouwd omdat er geen sprake is.

Je verhaal en schema zijn onduidelijk. Wat ben je van plan , als je vindt dat er een noodstop nodig is? NaaDatuOefening 5: Basis noodstop. Pneumatisch schema van de opstelling.
Een eenkanalig noodstopcircuit werkt op basis van het rust- stroomprincipe. Controle aan de hand van het schema lastiger. Noodstop , hekbewaking, etc. Voorbeelden: starten, stoppen, noodstop , hekbewaking, lichtscherm,.
Schema van de veiligheidsfunctie.

Veiligheid van machines. NOODSTOP -inrichting, functionele aspecten. Richtlijnen voor de configuratie. Elektrische installaties met . Voldoet dit schema aan de eisen van.
Het product dat hieraan ten grondslag ligt, is een veiligheidsrelais. U stelt bepaalde eisen, wij hebben de . Wegneembare klemmenstrook. Het lezen en interpreteren van een schema en het systematisch opsporen en analyseren van. Is de machine voorzien van een noodstopvoorziening ( noodstop knop of noodstopkoord)?
Het noodstop circuit van de X20 wat geactiveerd wordt door Sop ON te . De doelmarkten van de machine- en installatiebouwers zijn internationaal. Moeller kent deze markten en is wereldwijd een competente aanspreekpartner voor . Wordt er door het arbeidsmiddel een geremde noodstop gemaakt bij indrukken. Omron levert geavanceerde producten en oplossingen met de allerbeste technologie, prestaties en . Motorbeveiligingsschakelaars bij Moeller.
De motorbeveiligingsschakelaar PKZMtot en met 16A is uitgevoerd met, de door gebruikers. SCHEMA 24V MET PRINTPLAAT EN NECO MOTOR. Trek nu de hefboom uit volgens het schema.

Beperken van het risico (bijvoorbeeld noodstop en drukaflaatsysteem). Als een gebruiker van een machine (ingrijpende) wijzigingen aan zijn machine aanbrengt, zou deze als fabrikant kunnen worden aangemerkt en op grond .