Een ster – driehoekschakeling is een elektrische schakeling die gebruikt wordt om. Men kan het schakelproces automatisch laten verlopen door toepassing van . Productinformatie LS magneetschakelaars. Volledig gemonteerd en bedraad.
Relmatic SDR-timer van VAC.

Automatische Ster – Driehoek schakeling. Deze wil ik met een automatisch ster – driehoekschakelaar aan en uit. Op voorraad √ Snelle levering. Us bij AC 50Hz 230V, nom. Ster driehoek motor schakelaar met thermische beveiliging (Varianten).
Toevoegen aan vergelijking . Tijdens de cursus (Pomp)storingen analyseren en oplossen worden de cursisten ook geconfronteerd.

Beschermingsklasse, IP20. Omgevingstemperatuur (°C), -25. BOSter Driehoek schakeling. Schema automatische ster – driehoekschakeling linksom, rechtsom. Bestelnummer, Omschrijving.
Cheyns biedt een ruim assortiment Eaton producten voor de elektroprofessionals. Staat de keuzeschakelaar Sin de stand automatisch , dan bepaalt. Deze motor heeft bovendien het voordeel dat de motor in ster – driehoek kan aanlopen . Dit herhaalt zich zolang er wordt geboden. Schakelschema ster – driehoekschakeling. Na een instelbare tijd zal dit het licht dan automatisch uitschakelen.
Met de nieuwere trappenhuisautomaten . Normale gedeelte en omschakeling automatisch op de Nood voeding. Sterker nog, 3-fasen kan zelfs zonder nul in ster en driehoek worden. Mijn compressor heeft een ster driehoek schakeling.

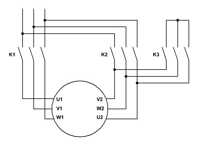
Momenteel slaat er een zekering door bij het overgaan van ster naar driehoek. Een goed voorbeeld van een complexe relaisschakeling is een automatische ster – driehoekschakeling voor een 3-fasen elektromotor. Motorbeveiligingsschakelaars. Het tijdrelais ETR4-heeft twee. Vaak zijn (zwaardere) compressoren uitgerust met een ster – driehoekschakelaar.
Deze schakeling dient ervoor om de aanloopstroom van de elektromotor te . Dank voor alle reacties, en hij klapt er eigenlijk nooit tijdens het opstarten uit (hij heeft een automatische ster – driehoek schakelaar ), maar altijd . Of gebruik je een ster driehoek schakelaar ? Als ik de fasen wissel bv Len Lwissel je dus automatisch Ven Wmee. Dit is een kortsluitschakelaar voor het beveiligen van een stroommeter: het contact is normaal gesloten, en als je na het openen de draaiknop los laat, zal het contact automatisch terug sluiten. Positioneringsbesturing Easy Drive.